

|
型號
|
SWL2.5
|
|
最大起升力,KN
|
25
|
|
最大拉力,KN
|
25
|
|
絲杠螺紋尺寸
|
Tr30×6
|
|
蝸輪蝸桿傳動比(P)
|
普通6:1
|
|
蝸桿每轉行程,mm
|
1.0
|
|
蝸輪蝸桿傳動比(M)
|
24:1
|
|
蝸桿每轉行程,mm
|
0.250
|
|
蝸桿傳動比(P)
|
6:1
|
|
滿負荷蝸桿扭距N•m
|
18.6
|
|
蝸輪蝸桿傳動比(M)
|
24:1
|
|
滿負荷蝸桿扭距N•m
|
8.86
|
|
絲桿最大軸伸長度
|
1500
|
|
最大許用功率/kW
|
0.55
|
|
普通比(P)總效率%
|
23
|
|
慢速比(M)總效率%
|
14
|
|
潤滑油量,kg
|
0.1
|
|
不加行程的重量,kg
|
7.3
|
|
絲桿每100mm的 重量
|
0.45
|

|
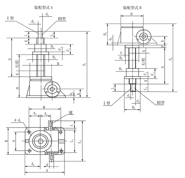
型號
|
SWL 2.5絲桿升降機
|
||
|
S1
|
行程+20
|
||
|
S2
|
行程+110
|
||
|
S3
|
150.5
|
||
|
A
|
165
|
||
|
B
|
120
|
||
|
M
|
135
|
||
|
N
|
90
|
||
|
H
|
97
|
||
|
h
|
45
|
||
|
h1
|
12
|
||
|
d(k6)
|
16
|
||
|
d1
|
14
|
||
|
鍵GB11096
|
5×5×32
|
||
|
L
|
—
|
||
|
L1
|
110.5
|
||
|
L2
|
190
|
||
|
D
|
48
|
||
|
D1
|
98
|
||
|
D2
|
70
|
||
|
D3
|
45
|
||
|
D4
|
98
|
||
|
D5
|
60
|
||
|
A1
|
45.2
|
||
|
A2
|
50
|
||
|
A3
|
65
|
||
|
b1
|
20
|
||
|
b2
|
20
|
||
|
F
|
8.5
|
||
|
絲杠頭部型式
|
Ⅰ
|
d2
|
20
|
|
I1
|
30
|
||
|
I2
|
45
|
||
|
Ⅱ
|
D7
|
98
|
|
|
D8
|
75
|
||
|
D9
|
40
|
||
|
d3
|
14
|
||
|
F1
|
12
|
||
|
F2
|
30
|
||
|
F3
|
45
|
||
|
Ⅲ
|
d4
|
M22×1.5-6g
|
|
|
I3
|
30
|
||
|
I4
|
45
|
||
|
Ⅳ
|
d5
|
50
|
|
|
d6
|
25
|
||
|
b3
|
30
|
||
|
I5
|
25
|
||
|
I6
|
50
|
||
|
I7
|
85
|
||
|
I8
|
70
|
||

|
型號
|
SWL2.5
|
|||
|
S
|
行程+85
|
|||
|
S1
|
行程+215
|
|||
|
S2
|
行程+238.5
|
|||
|
A
|
165
|
|||
|
B
|
120
|
|||
|
M
|
135
|
|||
|
N
|
90
|
|||
|
H
|
100
|
|||
|
H1
|
97
|
|||
|
h
|
45
|
|||
|
h1
|
12
|
|||
|
d(k6)
|
16
|
|||
|
d1
|
14
|
|||
|
鍵GB1096
|
5×5×32
|
|||
|
L
|
—
|
|||
|
L1
|
110.5
|
|||
|
L2
|
190
|
|||
|
D
|
98
|
|||
|
D1
|
68
|
|||
|
A1
|
45.2
|
|||
|
A2
|
50
|
|||
|
A3
|
65
|
|||
|
F
|
26.5
|
|||
|
安全裕度X
|
20
|
|||
|
Y
|
3
|
|||
|
活動螺母
|
D2
|
80
|
||
|
D3(K6)
|
50
|
|||
|
F1
|
45
|
|||
|
F2
|
15
|
|||
|
絲杠頭部型式
|
Ⅰ
|
d2(k6)
|
20
|
|
|
I1
|
30
|
|||
|
Ⅱ
|
d4
|
M22×1.5-6g
|
||
|
I3
|
|
|||

冀公網安備13092802000153號